SE-9-PLUS
Aut. propulsion for garage door industrial
€936,69
Unit price
/
Unavailable
without VAT
with VAT
Stock availability
SK Krompachy
23
SK Banská Bystrica
0
SK Bratislava R1
0
SK Senec
0
Contact
Contact
For more information, please contact our sales:
lubomir.petruska@umakov.sk
+421915093533 +393483490444
Description
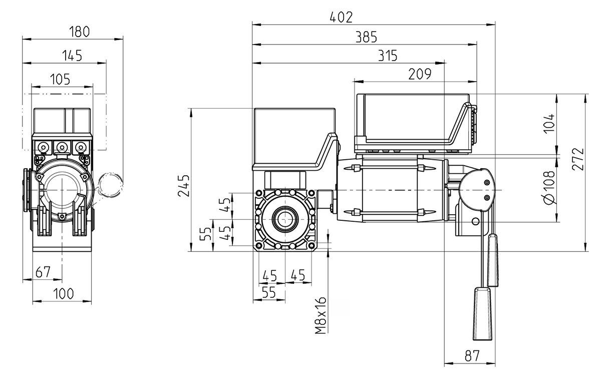
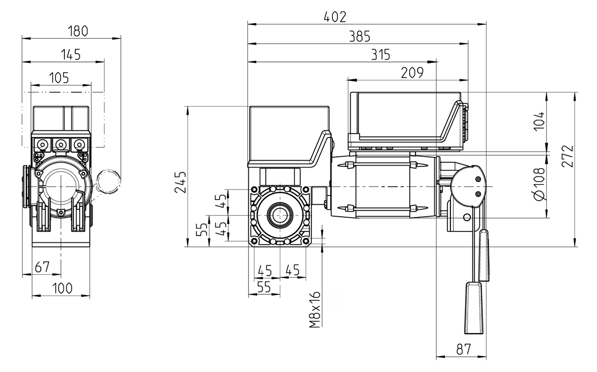
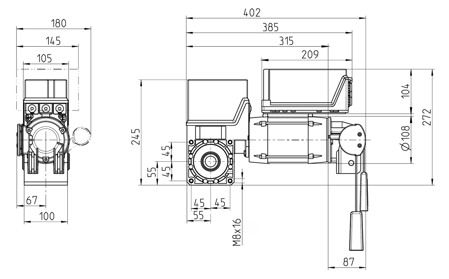
Automatic GFA drive for garage door, industrial with electronics. Power supply 400V
Parameters
Weight of gate Gmax/Goptimal (kg)
Weight of gate
400
Mark
Information about producer of product
GFA
Parts of the set
null
Motor power supply
Type and value of the motor supply voltage
AC 400V
Performance
370W
Force
450Nm
Power supply
Type and value of the power supply voltage
AC 400V
Controller
TS970
Protection level
IP54

