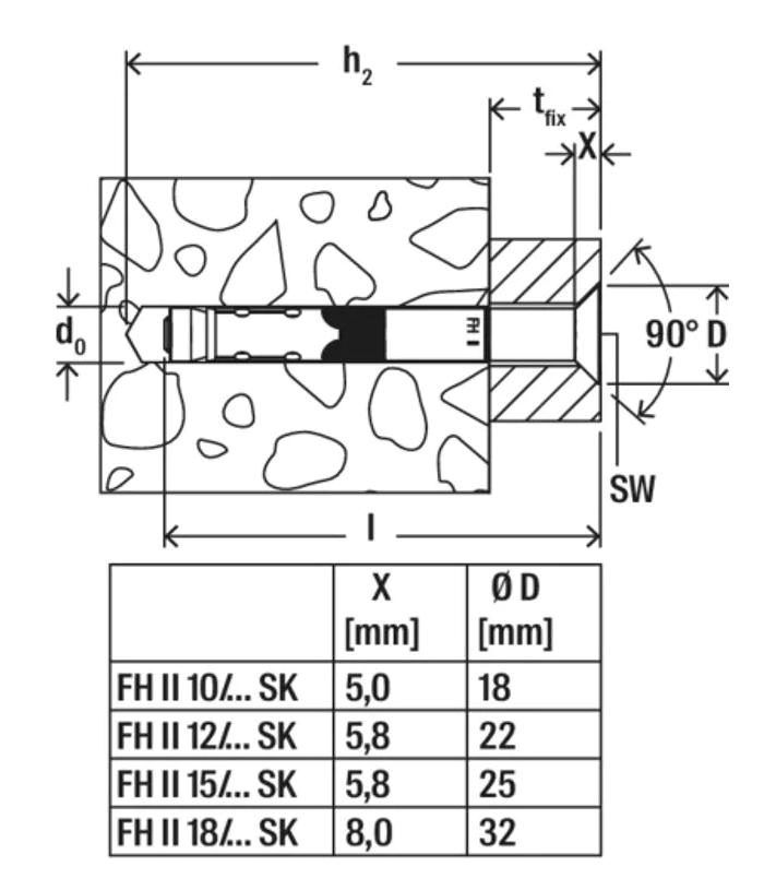
Heavy duty anchor with countersunk screw
Contact
Contact
For more information, please contact our sales:
Description
With countersunk head for assembly that is flush to the surface.
The international approvals guarantee maximum safety and maximum performance. Also for applications in earthquake regions (seismic C1 and C2).
The ideal combination of screw shank and sleeve enables a high transverse load capacity and fewer fixing points.
The optimised geometry intelligently reduces the setting energy and thus ensures a force-saving assembly.
ETA-approval: YES
Drill diameter (d0) : 12 mm
Min. drill hole depth for through fixings (h2): 130 mm
Max. fixture thickness (t fix): 50 mm
Thread (M): M8
Packaging: Folding box
Amount: 25 pcs.
GTIN (EAN-Code): 4006209449196
Seismic-Approval: C1 / C2
Catalog list
Required products
Top mount - glass AL/ELOX/Satin L195mm, 90°out AL/0004-S-E-90-OUT
Stock availability
Price history
Aluminium profile -top mounting AL/0004-5000-S-E
Stock availability
Price history
Top mount - glass AL/0004-2500-S-E
Stock availability
Price history
Top mount - glass AL AL/0004-1250-S-E
Stock availability
Price history
Aluminium profile -top mounting AL/0004-5000-S-E
Stock availability
Price history
Aluminium profile -top mounting AL/0004-5000-S-E-Drain
Stock availability
Price history
Top mount - glass AL/0004-2500-S-E
Stock availability
Price history
Aluminium profile -top mounting AL/0004-6000-S-E
Stock availability
Price history
Top mount - glass AL/0004-ECO-5000-S-E
Stock availability
Price history
INOX anchor A5/08-105x11xM8
Stock availability
Price history
Glass mounting tool for AL-PRO profiles AL/glass-mont-PRO
Stock availability
Price history
Chemical anchor 300ml - Polyester Q5/01GFP-300
Stock availability
Price history
Steel anchor, M8 Q5/08-VI-IG-M8-100/S
Price history
Stainless steel anchor A5/08-VI-IG-M8-100/A4
Price history
Taper screw with taper washer, M8, Zn, SW=T40 W-DIN 7991 M8x20-P
Stock availability
Price history
Heavy duty anchor with countersunk screw Q5/08-FH12-50
Stock availability
Price history
Top mount - glass AL/0004-2500-S-E
Stock availability
Price history
Aluminium profile -top mounting AL/0004-5000-S-E
Stock availability
Price history
Aluminium profile -top mounting AL/0004-6000-S-E
Stock availability
Price history
Top mount - glass AL/0004-ECO-2500-S-E
Stock availability
Price history
INOX anchor A5/08-105x11xM8
Stock availability
Price history
Glass mounting tool for AL-PRO profiles AL/glass-mont-PRO
Stock availability
Price history
Glass inlay A19/0004-012-02.5
Stock availability
Price history
Steel anchor, M8 Q5/08-VI-IG-M8-100/S
Price history
Stainless steel anchor A5/08-VI-IG-M8-100/A4
Price history
Taper screw with taper washer, M8, Zn, SW=T40 W-DIN 7991 M8x20-P
Stock availability
Price history
Heavy duty anchor with countersunk screw Q5/08-FH12-50
Stock availability
Price history
Top mount - glass AL AL/0004-1250-S-E
Stock availability
Price history
Aluminium profile -top mounting AL/0004-5000-S-E
Stock availability
Price history
Top mount - glass AL/0004-2500-S-E
Stock availability
Price history
Stainless steel anchor A5/08-VI-IG-M8-100/A4
Price history
Glass mounting tool for AL-PRO profiles AL/glass-mont-PRO
Stock availability
Price history
Glass inlay A19/0004-012-02.5
Stock availability
Price history
Steel anchor, M8 Q5/08-VI-IG-M8-100/S
Price history
Heavy duty anchor with countersunk screw Q5/08-FH12-50
Stock availability
Price history
INOX anchor A5/08-105x11xM8
Stock availability
Price history
Taper screw with taper washer, M8, Zn, SW=T40 W-DIN 7991 M8x20-P
Stock availability
Price history
Aluminium profile for glass railing -top anchoring AL/0008-5000-S-E
Stock availability
Price history
Top anchoring 3kN AL/0008-2500-S-E
Stock availability
Price history
Side Mounted Channel profile - Anodized AL/0009-5000-S-E
Stock availability
Price history
Side Mounted Channel profile - Anodized AL/0009-2500-S-E
Stock availability
Price history
AL. profile, top mount 90° IN corner AL/ELOX/Sati AL/0009-S-E-90-IN
Price history
AL. profile, top mount 90° IN corner AL/ELOX/Sati AL/0009-S-E-90-OUT
Price history
Aluminium profile -top mounting AL/0004-6000-S-E
Stock availability
Price history
Aluminium profile -top mounting AL/0004-5000-S-E
Stock availability
Price history
Top mount - glass AL/0004-2500-S-E
Stock availability
Price history
Top mount - glass AL/0004-ECO-6000-S-E
Stock availability
Price history
INOX anchor A5/08-105x11xM8
Stock availability
Price history
Glass mounting tool for AL-PRO profiles AL/glass-mont-PRO
Stock availability
Price history
Glass inlay A19/0004-021-06.0
Stock availability
Price history
Glass inlay A19/0004-022-06.0
Stock availability
Price history
Heavy duty anchor with countersunk screw Q5/08-FH12-50
Stock availability
Price history
Steel anchor, M8 Q5/08-VI-IG-M8-100/S
Price history
Stainless steel anchor A5/08-VI-IG-M8-100/A4
Price history
Taper screw with taper washer, M8, Zn, SW=T40 W-DIN 7991 M8x20-P
Stock availability
Price history
Alternative products
Heavy duty anchor with countersunk screw M8 Q5/08-12-125
Stock availability
Price history
Heavy duty anchor with countersunk screw Q5/08-FH12-50
Stock availability
Price history
Heavy duty anchor with countersunk screw M8, stainless steel A5/08-12-125
Stock availability
Price history
Heavy duty anchor with countersunk screw M8, stainless steel A5/08-12-125
Stock availability
Price history
Heavy duty anchor with countersunk screw Q5/08-FH12-50
Stock availability
Price history
Heavy duty anchor with countersunk screw M8 Q5/08-12-125
Stock availability
Price history
Heavy duty anchor with countersunk screw M8 Q5/08-HAZ-M8-80SK/S
Stock availability
Price history
Anchor for medium heavy loads with countersunk head M8 Q5/08-M8-75SK/S
Stock availability
Price history
Heavy duty anchor with countersunk screw Q5/08-FH12-50
Stock availability
Price history
INOX anchor A5/08-105x11xM8
Stock availability
Price history
INOX anchor, AISI 316 A14/08-105x11xM8
Stock availability
Price history
Inox anchor M8, L=140mm A19/27-M8







