Description
Download
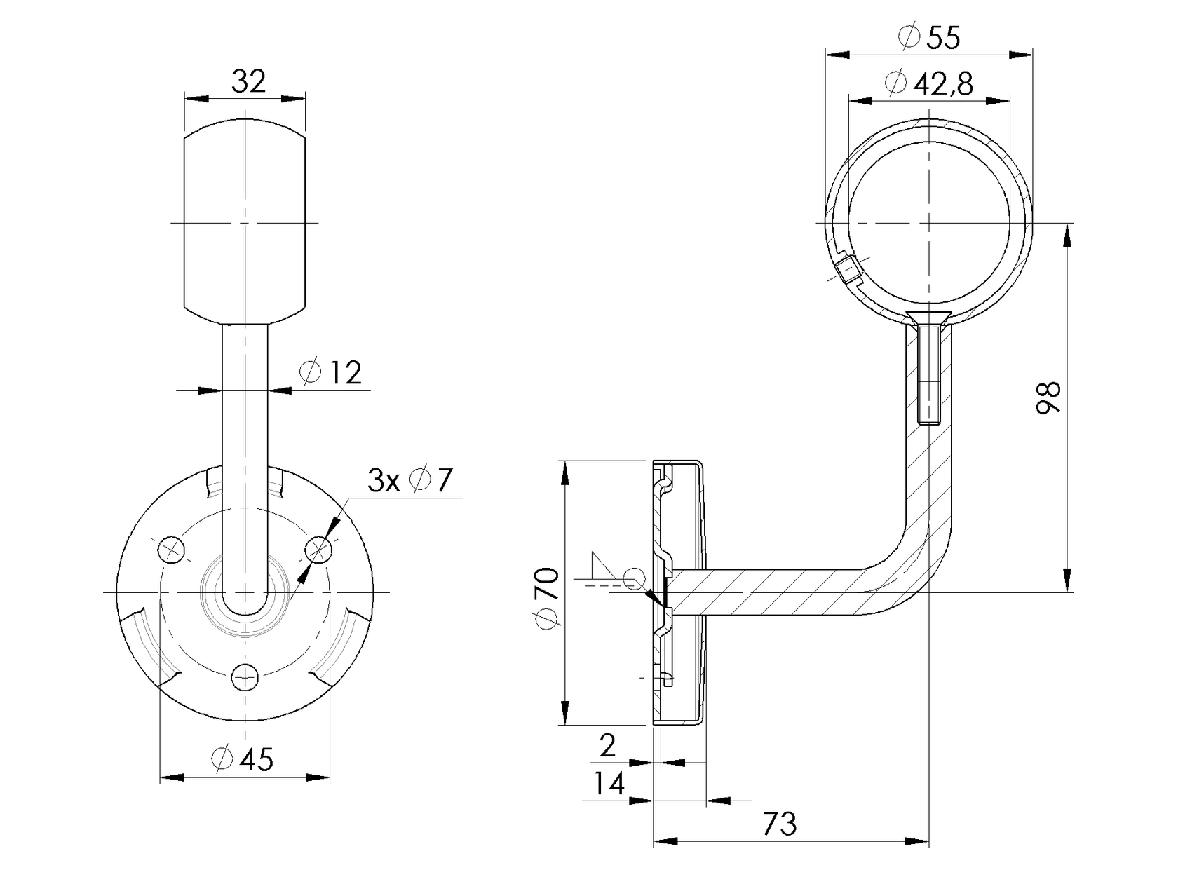
Parts of set
Wall handrail bracket A/0110-000
Hexagon socket countersunk head screw, AISI304, M6x14 A-DIN 7991-A2 M6x14
Handrail bracket - ring A6/42-55-35-B
Catalog list
Required products
Nylon anchor GL PVC, d8, h40mm Q5/07-8 NYLON
Stock availability
Price history
Pan head chipboard screw, full thread, stainless steel A-PH 6x45
