Parameters
Material
Defines the material from which the product is made.
Stainless steel AISI 304
Surface finish
Surface finish of product
Satined
Filling
Determines use based on the size and shape of the infill
d12
Shape
Tvar prierezu materiálu
Round bar
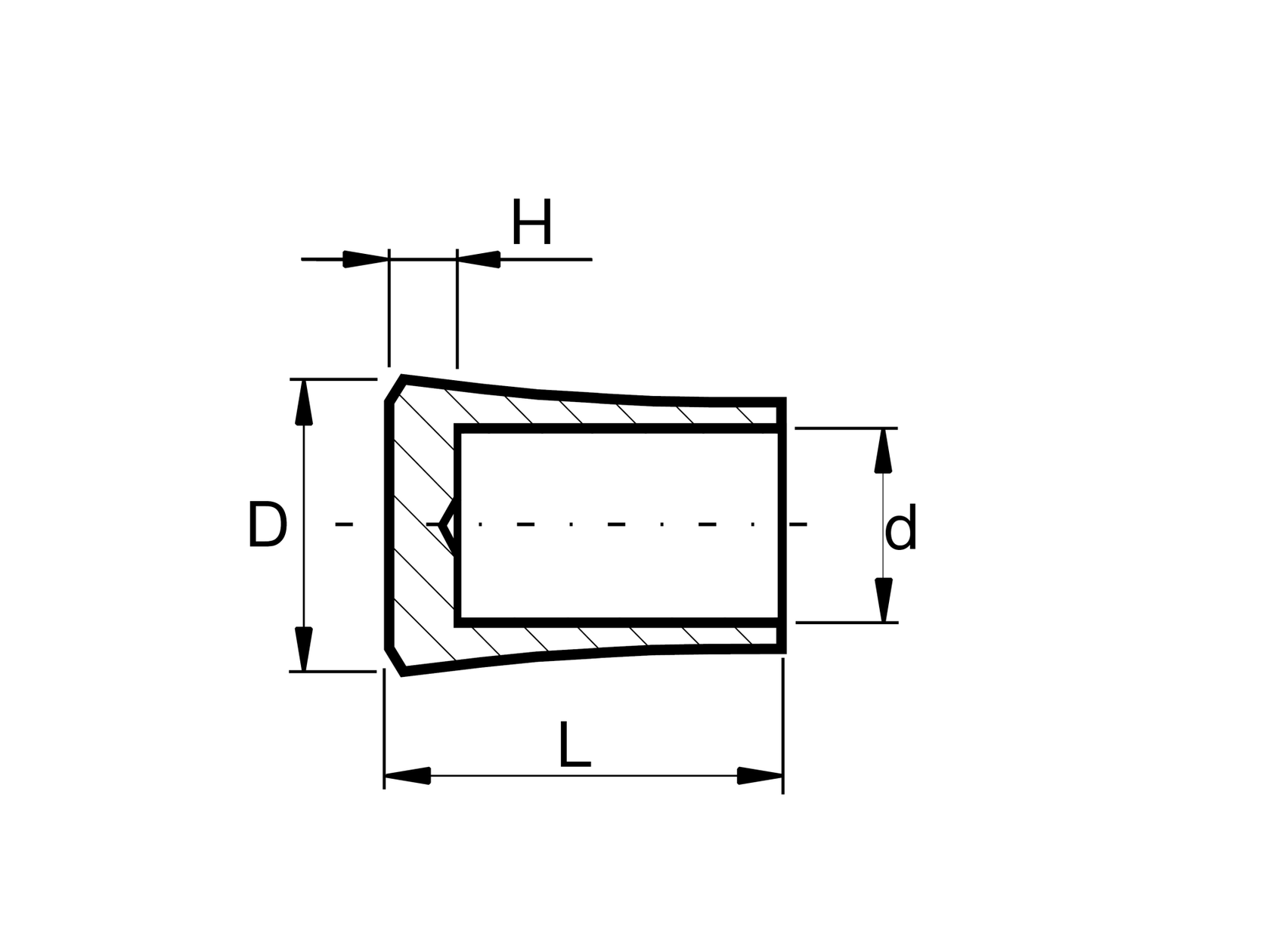
L
Length parameter of the product
22
D
18
d
12
H
2

