GS-304/D-B-991-10/S-B
Cerniera per porta in vetro idraulica
€75,08
Prezzo unitario
/
Non disponibile
senza IVA
con IVA
Disponibilità di magazzino
SK Krompachy
> 25
SK Banská Bystrica
0
SK Bratislava R1
0
SK Senec
0
Contatto
Contatto
Per maggiori informazioni, contatta il nostro commerciale:
umakov@umakov.it
+393483490444
Parametri
Materiale
Definisce il materiale di cui e fatto il prodotto.
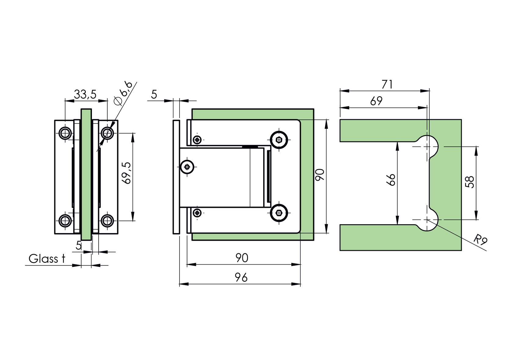
Acciaio inossidabile AISI 304
Finitura
Stato finale della superficie del prodotto
Satinato
vetro t
Determina lo spessore del vetro in mm a cui e adatto il prodotto
8-12
Riguardo
Determina l’uso in base alle dimensioni e alla forma del riempimento
Il vetro
Ancoraggio
Specifica il materiale a cui e ancorato l'articolo
Su parete
Gmax(kg)/2pcs
50
Funkcia samozatvárania
Áno
Funzione arresto sull'angolo
+-90°/0°
Foro di vetro
Áno
